Ultra Dex ps-532x90 PS-532X90. Arch Part # 971-000-007

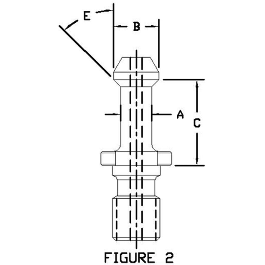
CAT Retention Knob .392" Net Diameter .591" Head Diameter .984" Length 90° Angle 5/8-11 Thread No Coolant (Figure2).



Collections: Retention Knob

Type: Retention Knob


Pin It

Related Items