Ultra Dex ps-552 PS-552. Arch Part # 971-000-012

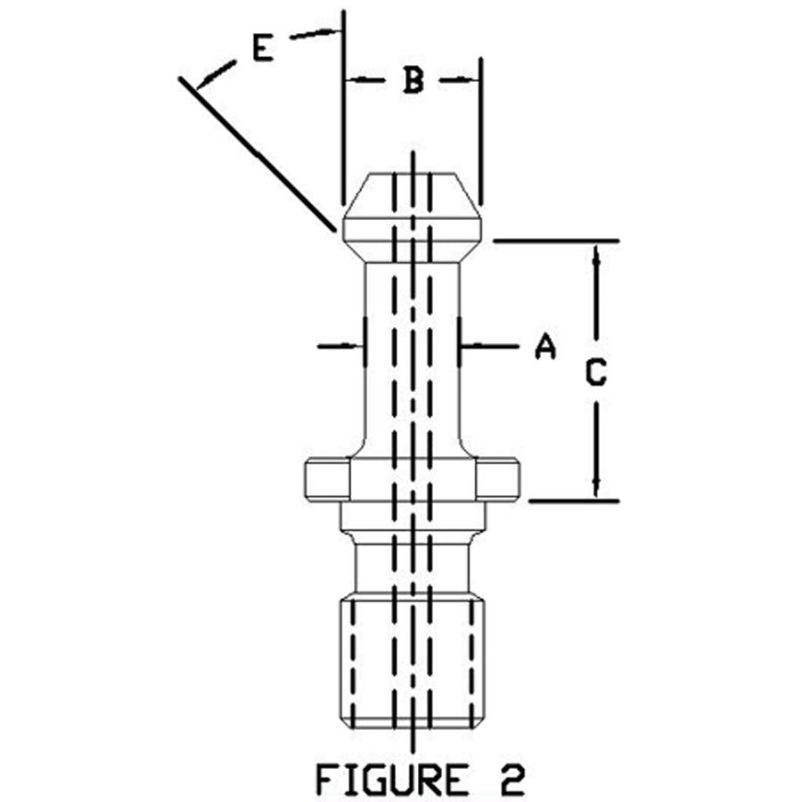
CAT Retention Knob .406" Net Diameter .594" Head Diameter 1.139" Length 45° Angle 5/8-11 Thread No Coolant (Figure2).



Collections: Retention Knob

Type: Retention Knob


Pin It

Related Items