Ultra Dex psc-532x45 PSC-532X45. Arch Part # 971-000-016

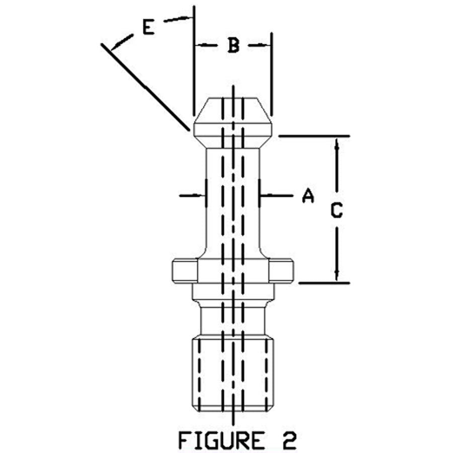
CAT Retention Knob .392" Net Diameter .591" Head Diameter .984" Length 45° Angle 5/8-11 Thread Coolant Thru (Figure2).



Collections: Retention Knob

Type: Retention Knob


Pin It

Related Items