Ultra Dex psc-536x45 PSC-536X45. Arch Part # 971-000-018

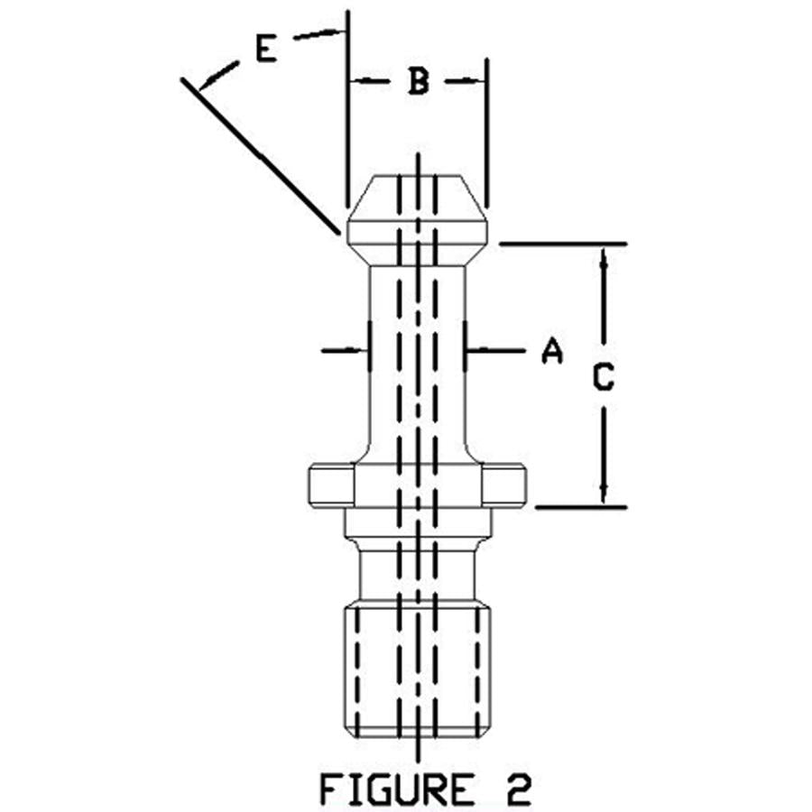
CAT Retention Knob .667" Net Diameter .904" Head Diameter 1.384" Length 45° Angle 1-8 Thread Coolant Thru (Figure 2).



Collections: Retention Knob

Type: Retention Knob


Pin It

Related Items